Nosotros
Servicios
Plantas de Tratamiento
Clientes
Proyectos
Aguas Residuales
Proyectos Hidráulicos
Aires Acondicionados
Aislamiento Térmico
Noticias
Contacto
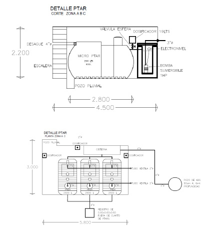
Proyectos de Sistemas de Aguas Residuales
PTAR Colegio Cumbres Mérida
Agosto 2014
Desarrollado por CMD Transforma
Subir