Proyectos de Sistemas de Aguas Residuales

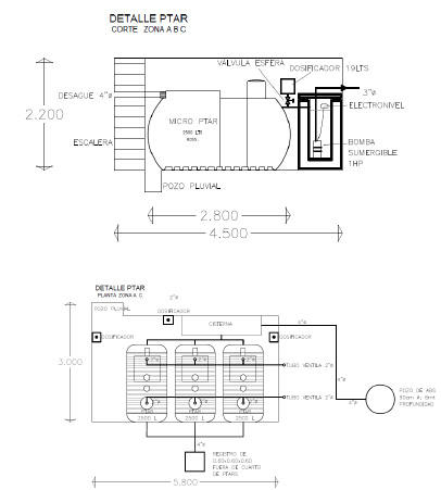
ptar colegio cumbres merida

 

PTAR Colegio Cumbres Mérida

Agosto 2014

 

 cumbres isometrico

cumbres plano